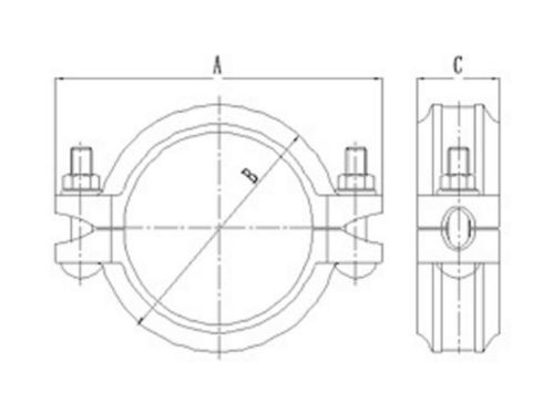
Este acople ranurado (cambio rápido) es un tipo de accesorio de tubería rígido de cambio rápido. Con un diseño estructural único, elimina la necesidad de desmontar pernos, tuercas y juntas durante la instalación. El acoplamiento se puede insertar directamente en el extremo de la tubería y apretar con pernos y tuercas.
La eficiencia de instalación es más de tres veces mayor que la de los acoples estándar. El diseño estructural único evita la pérdida de pernos y tuercas durante el proceso de instalación.
El acople ranurado de cambio rápido es adecuado para varios tipos de tuberías, como suministro de agua, drenaje, sistemas HVAC y otras tuberías.




| Tamaño nominal | Diámetro exterior de la tubería | Dimensiones | Tamaño del perno | ||
| mm/pulgadas | mm/pulgadas | mm/pulgadas | No.-tamaño/ mm | ||
| A / mm | B / mm | C / mm | |||
| 25 / 1 | 33.7 / 1.327 | 58 / 2.28 | 98 / 3.85 | 45 / 1.77 | 3/8*45-2 |
| 32 / 1 1/4 | 42.4 / 1.669 | 68 / 2.68 | 106 / 4.17 | 45 / 1.77 | 3/8*45-2 |
| 40 / 1 1/2 | 48.3 / 1.9 | 74 / 2.91 | 114 / 4.49 | 45 / 1.77 | 3/8*45-2 |
| 50 / 2 | 60.3 / 2.375 | 86 / 3.39 | 128 / 5.04 | 45 / 1.77 | 3/8*55-2 |
| 65 / 2 1/2 | 73 / 2.875 | 98 / 3.86 | 137 / 5.39 | 45 / 1.77 | 3/8*55-2 |
| 65 / 2 1/2 | 76.1 / 3 | 103 / 4.06 | 141 / 5.55 | 45 / 1.77 | 3/8*55-2 |
| 80 / 3 | 88.9 / 3.5 | 114 / 4.49 | 158 / 6.22 | 45 / 1.77 | 3/8*55-2 |
| 100 / 4 | 114.3 / 4.5 | 143 / 5.63 | 192 / 7.56 | 49 / 1.93 | 1/2*65-2 |
| 125 / 5 | 139.7 / 5.5 | 172 / 6.77 | 222 / 8.74 | 50 / 1.96 | 1/2*75-2 |
| 150 / 6 | 165.1 / 6.5 | 199 / 7.83 | 252 / 9.92 | 50 / 1.96 | 1/2*75-2 |
| 150 / 6 | 168.3 / 6.625 | 202 / 7.95 | 252 / 9.92 | 50 / 1.96 | 1/2*75-2 |
| 216 / 8 | 216.1 8.51 | 258 / 10.16 | 322 / 12.67 | 58 / 2.28 | 5/8*95-2 |
| 200 / 8 | 219.1 / 8.625 | 258 / 10.16 | 322 / 12.67 | 58 / 2.28 | 5/8*95-2 |
| 267 / 8 | 267.2 / 10.52 | 313 / 12.32 | 390 / 15.35 | 58 / 2.28 | 3/4*110-2 |
| 250 / 10 | 273 / 10.75 | 320 / 12.60 | 394 / 15.51 | 60 / 2.36 | 3/4*110-2 |
| 318 / 12 | 318.3 / 12.53 | 369 / 14.53 | 450 / 17.72 | 58 / 2.28 | 3/4*120-2 |
| 300 / 12 | 323.9 / 12.75 | 372 / 14.64 | 450 / 17.72 | 64 / 2.51 | 3/4*120-2 |