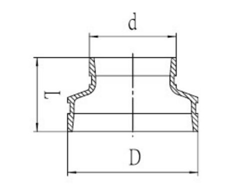
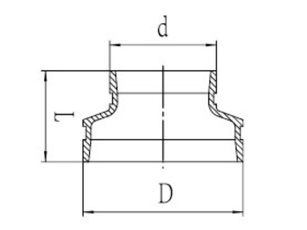
Los reductores concéntricos ranurados son accesorios de tubería en forma de cono con conexiones ranuradas que reducen el tamaño de una tubería de manera simétrica y concéntrica, al tiempo que mantienen alineadas las líneas centrales de las dos tuberías.
El reductor concéntrico ranurado se usa comúnmente en sistemas de tuberías industriales y comerciales, como gasoductos, tuberías de suministro de agua, entre otros, donde se requiere una reducción del tamaño de la tubería para adaptarse a los cambios en el flujo o la presión.




| Tamaño nominal | Diámetro exterior de la tubería | Dimensiones |
| mm/pulgadas | mm/pulgadas | L mm/pulgadas |
| 32x25 / 1 1/4x1 | 42.4x33.7 / 1.660x1.315 | 64 / 2.51 |
| 40x25 / 11/2x1 | 48.3x33.7 / 1.900x1.315 | 64 / 2.51 |
| 40x32 / 1 1/2×1 1/4 | 48.3x42.4 / 1.900x1.660 | 64 / 2.51 |
| 50x25 / 2x1 | 60.3 x 33.7 / 2.375x1.315 | 64 / 2.51 |
| 50x32 / 2x1 1/4 | 60.3x42.4 / 2.375x1.660 | 64 / 2.51 |
| 50x40 / 2x1 1/2 | 603x48.3 / 2.375x1.900 | 64 / 2.51 |
| 65x25 / 2 1/2x1 | 73.0 x 33.7 / 2.875x1.315 | 64 / 2.51 |
| 65x32 / 2 1/2x1 1/4 | 73.0x42.4 / 2.875x1.660 | 64 / 2.51 |
| 65x40 / 2 1/2x1 1/2 | 73.0x48.3 / 2.875x1.900 | 64 / 2.51 |
| 65x50 / 2 1/2x2 | 73.0 x 60.3 / 2.875x2.375 | 64 / 2.51 |
| 65x32 / 2 1/2x1 1/4 | 76.1 x 42.4 / 3.000x1.660 | 64 / 2.51 |
| 65x40 / 2 1/2x1 1/2 | 76.1x48.3 / 3.000x1.900 | 64 / 2.51 |
| 65x50 / 2 1/2x2 | 76.1x60.3 / 3.000 x 2.375 | 64 / 2.51 |
| 80x32 / 3x1 1/4 | 88.9x42.4 / 3.500x1.660 | 55 / 2.17 |
| 80x40 / 3x1 1/2 | 88.9 x 48.3 / 3.500x1.900 | 55 / 2.17 |
| 80x50 / 3x2 | 88.9 x 60.3 / 3.500x2.375 | 55 / 2.17 |
| 80x65 / 3x2 1/2 | 88.9x76.1 / 3.500 x 3.000 | 55 / 2.17 |
| 100x65 / 4x2 1/2 | 108.0 x 76.1 / 4.250 x 3.000 | 76 / 2.99 |
| 100x80 / 4x3 | 108.0x88.9 / 4.250 x 3.500 | 76 / 2.99 |
| 100x32 / 4x1 1/4 | 114.3x42.4 / 4.500x1.660 | 60 / 2.36 |
| 100x40 / 4x1 1/2 | 114.3x48.3 / 4.500x1.900 | 60 / 2.36 |
| 100x50 / 4x2 | 114.3x60.3 / 4.500x2.375 | 60 / 2.36 |
| 100x65 / 4x2 1/2 | 114.3x76.1 / 4.500 x 3.000 | 60 / 2.36 |
| 100x80 / 4x3 | 114.3x88.9 / 4.500 x 3.500 | 60 / 2.36 |
| 125x50 / 5x2 | 139.7x60.3 / 5.500x2.375 | 65 / 2.56 |
| 125x65 / 5x2 1/2 | 139.7x76.1 / 5.500 x 3.000 | 65 / 2.56 |
| 125x80 / 5x3 | 139.7x88.9 / 5.500 x 3.500 | 65 / 2.56 |
| 125x100 / 5x4 | 139.7x114.3 / 5.500 x 4.500 | 65 / 2.56 |
| 150x50 / 6x2 | 159.0x60.3 / 6.250x2.375 | 70 / 2.76 |
| 150x65 / 6x2 1/2 | 159.0x76.1 / 6.250 x 3.000 | 70 / 2.76 |
| 150x80 / 6x3 | 159.0x88.9 / 6.250 x 3.500 | 70 / 2.76 |
| 150x100 / 6x4 | 159.0x108.0 / 6.250 x 4.250 | 70 / 2.76 |
| 150x100 / 6x4 | 159.0x114.3 / 6.250x4.500 | 70 / 2.76 |
| 150x125 / 6x5 | 159.0x133.0 / 6.250x5.250 | 70 / 2.76 |
| 150x125 / 6x5 | 159 0x139 7 / 6.250 x 5.500 | 70 / 2.76 |
| 150x50 / 6x2 | 165.1 x60.3 / 6.500 x 2.375 | 102 / 4.01 |
| 150x65 / 6x2 1/2 | 165.1x76.1 / 6.500 x 3.000 | 102 / 4.01 |
| 150x80 / 6x3 | 165.1x88.9 / 6.500 x 3.500 | 102 / 4.01 |
| 150x100 / 6x4 | 165.1x114.3 / 6.500x4.500 | 102 / 4.01 |
| 150x125 / 6x5 | 165.1x139.7 / 6.500x5.500 | 102 / 4.01 |
| 150x50 / 6x2 | 168.3 x 60.3 / 6.625x2.375 | 70 / 2.76 |
| 150x65 / 6x2 1/2 | 168.3x76.1 / 6.625 x 3.000 | 70 / 2.76 |
| 150x80 / 6x3 | 168.3 x 88.9 / 6.625x3.500 | 70 / 2.76 |
| 150x100 / 6x4 | 168.3x114.3 / 6.625x4.500 | 70 / 2.76 |
| 150x125 / 6x5 | 168.3x139.7 / 6.625 x 5.500 | 70 / 2.76 |
| 200 x 50 / 8x2 | 219.1x60.3 / 8.625x2.375 | 85 / 3.35 |
| 200x65 / 8x2 1/2 | 219.1x76.1 / 8 625x3.000 | 85 / 3.35 |
| 200 x 80 / 8x3 | 219.1x88.9 / 8.625x3.500 | 85 / 3.35 |
| 200x100 / 8x4 | 219.1 x 108.0 / 8.625x4.250 | 85 / 3.35 |
| 200x100 / 8x4 | 219.1 x 114.3 / 8.625x4.500 | 85 / 3.35 |
| 200x125 / 8x5 | 219.1 x 139.7 / 8.625 x 5.500 | 85 / 3.35 |
| 200x150 / 8x6 | 219.1 x 159.0 / 8.625x6.250 | 85 / 3.35 |
| 200x150 / 8x6 | 219.1 x 165.1 / 8.625x6.500 | 85 / 3.35 |
| 200x150 / 8x6 | 219.1 x 168.3 / 8.625x6.625 | 85 / 3.35 |