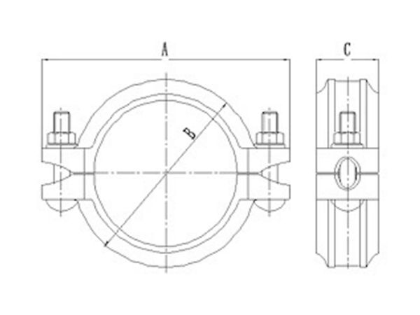
El acope rígido con cierre angular empernado es un acople rígido estándar con un diseño de cierre angular empernado, adecuado para servicios de tuberías de presión media. Este acople rígidoestá diseñado para lograr rigidez angular y axial sujetando firmemente la base de la ranura.




| Tamaño nominal | Diámetro exterior de la tubería | Dimensiones | Tamaño del perno | ||
| mm/pulgadas | mm/pulgadas | mm/pulgadas | No.-tamaño mm | ||
| A mm | B mm | C mm | |||
| 25/1 | 33.7/1.327 | 58/2.28 | 98/3.85 | 45/1.77 | 3/8*45-2 |
| 32/(1 1/4) | 42.4/1.669 | 68/2.68 | 106/4.17 | 45/1.77 | 3/8*45-2 |
| 40/(1 1/2) | 48.3/1.9 | 74/2.91 | 114/4.49 | 45/1.77 | 3/8*45-2 |
| 50/2 | 60.3/2.375 | 86/3.39 | 128/5.04 | 45/1.77 | 3/8*55-2 |
| 65/(2 1/2) | 73/2.875 | 98/3.86 | 137/5.39 | 45/1.77 | 3/8*55-2 |
| 65/(2 1/2) | 76.1/3 | 103/4.06 | 141/5.55 | 45/1.77 | 3/8*55-2 |
| 80/3 | 88.9/3.5 | 114/4.49 | 158/6.22 | 45/1.77 | 3/8*55-2 |
| 100/4 | 114.3/4.5 | 143/5.63 | 192/7.56 | 49/1.93 | 1/2*65-2 |
| 125/5 | 139.7/5.5 | 172/6.77 | 222/8.74 | 50/1.96 | 1/2*75-2 |
| 150/6 | 165.1/6.5 | 199/7.83 | 252/9.92 | 50/1.96 | 1/2*75-2 |
| 150/6 | 168.3/6.625 | 202/7.95 | 252/9.92 | 50/1.96 | 1/2*75-2 |
| 216/8 | 216.1 8.51 | 258/10.16 | 322/12.67 | 58/2.28 | 5/8*95-2 |
| 200/8 | 219.1/8.625 | 258/10.16 | 322/12.67 | 58/2.28 | 5/8*95-2 |
| 267/8 | 267.2/10.52 | 313/12.32 | 390/15.35 | 58/2.28 | 3/4*110-2 |
| 250/10 | 273/10.75 | 320/12.60 | 394/15.51 | 60/2.36 | 3/4*110-2 |
| 318/12 | 318.3/12.53 | 369/14.53 | 450/17.72 | 58/2.28 | 3/4*120-2 |
| 300/12 | 323.9/12.75 | 372/14.64 | 450/17.72 | 64/2.51 | 3/4*120-2 |