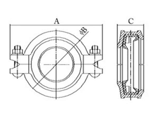
El acople reducido ranurado flexible es un accesorio de tubería hecho de hierro dúctil. Cuenta con una estructura de carcasa atornillada plana con un cierto espacio entre la junta y la base de la ranura, lo que permite conexiones flexibles y la capacidad de acomodar el desplazamiento axial y la deflexión angular. El acople reducido ranurado flexible puede reemplazar dos acoplamientos separados y un accesorio reductor.
El acople reducido ranurado flexible se puede utilizar para varias tuberías, como tuberías de aguas residuales, tuberías de suministro de agua, etc.



| Tamaño nominal | Diámetro exterior de la tubería | Dimensiones | Tamaño del perno | ||
| mm/pulgadas | mm/pulgadas | mm/pulgadas | No.-tamaño mm | ||
| A | B | C | |||
| 50x32 / 2x1 1/4 | 60.3x42.4 / 2.375x1.660 | 86 / 3.39 | 125 / 4.93 | 44 / 1.74 | 2-3/8x55 / 2-M10x57 |
| 50x40 / 2x1 1/2 | 60.3x48.3 / 2.375x1.900 | 86 / 3.39 | 125 / 4.93 | 44 / 1.74 | 2-3/8x55 / 2-M10x57 |
| 65x40 / 2 1/2x1 1/2 | 73.0 x 48.3 / 2.875x1.900 | 96 / 3.78 | 136 / 5.35 | 45 / 1.78 | 2-3/8x55 / 2-M10x57 |
| 65x50 / 2 1/2x2 | 73.0x60.3 / 2.875x2.375 | 96 / 3.78 | 136 / 5.35 | 45 / 1.78 | 2-3/8x55 / 2-M10x57 |
| 65x50 / 2 1/2x2 | 76.1 x60.3 / 3.000x2.375 | 102 / 4.02 | 140 / 5.51 | 45 / 1.78 | 2-3/8x55 / 2-M10x57 |
| 80x40 / 3x1 1/2 | 88.9x48.3 / 3.500x1.900 | 115 / 4.53 | 158 / 6.22 | 45 / 1.78 | 2-1/2x70 / 2-M12x70 |
| 80x50 / 3x2 | 88.9x60.3 3.500x2.375 | 115 / 4.53 | 158 / 6.22 | 45 / 1.78 | 2-1/2x70 / 2-M12x70 |
| 80x65 / 3x2 1/2 | 88.9x73.0 / 3.500x2.875 | 115 / 4.53 | 158 / 6.22 | 45 / 1.78 | 2-1/2x70 / 2-M12x70 |
| 80x65 / 3x2 1/2 | 88.9x76.1 / 3.500x3.000 | 115 / 4.53 | 158 / 6.22 | 45 / 1.78 | 2-1/2x70 / 2-M12x70 |
| 100x40 / 4 x1 1/2 | 114.3x48.3 / 4.500x1.900 | 142 / 5.59 | 192 / 7.56 | 50 / 1.97 | 2-1/2x70 / 2-M12x70 |
| 100x50 / 4x2 | 114.3x60.3 / 4.500x2.375 | 142 / 5.59 | 192 / 7.56 | 50 / 1.97 | 2-1/2x70 / 2-M12x70 |
| 100x65 / 4x2 1/2 | 114.3x73.0 / 4.500x2.875 | 142 / 5.59 | 192 / 7.56 | 50 / 1.97 | 2-1/2x70 / 2-M12x70 |
| 100x65 / 4x2 1/2 | 114.3x76.1 / 4.500x3.000 | 142 / 5.59 | 192 / 7.56 | 50 / 1.97 | 2-1/2x70 / 2-M12x70 |
| 100x80 / 4x3 | 114 3x88.9 / 4.500x3.500 | 142 / 5.59 | 192 / 7.56 | 50 / 1.97 | 2-1/2x70 / 2-M12x70 |
| 150x80 / 6x3 | 165.1x88.9 / 6.500x3.500 | 200 / 7.87 | 250 / 9.84 | 50 / 1.97 | 2-5/8x85 / 2-M16x85 |
| 150x100 / 6x4 | 165.1 x114.3 / 6.500x4.500 | 200 / 7.87 | 250 / 9.84 | 50 / 1.97 | 2-5/8x85 / 2-M 16x85 |
| 150x80 / 6x3 | 168.3x88.9 / 6.625x3.500 | 202.5 / 7.97 | 252 / 9.92 | 50 / 1.97 | 2-5/8x85 / 2-M16x85 |
| 150x 100 / 6x4 | 168.3 x 114.3 / 6.625x4.500 | 202.5 / 7.97 | 252 / 9.92 | 50 / 1.97 | 2-5/8x85 / 2-M16x85 |
| 200x150 / 8x6 | 219.1 x 165.1 / 8.625x6.500 | 257 / 10.12 | 322 / 12.68 | 56 / 2.2 | 2-3/4x115 / 2-M20x 115 |
| 200x150 / 8x6 | 219.1x168.3 / 8.625x6.625 | 257 / 10.12 | 322 / 12.68 | 56 / 2.2 | 2-3/4x115 / 2-M20x115 |