El acople ranurado flexible es un accesorio de tubería que se utiliza para conectar tuberías en un sistema de tuberías. Los acoplamientos flexibles o acoples flexibles ofrecen flexibilidad, lo que permite el desplazamiento axial y la deflexión angular de las tuberías conectadas, lo que hace que el sistema de tuberías sea más flexible. Los acoples flexibles son adecuados para situaciones en las que las tuberías pueden volverse asimétricas o deformarse debido a variaciones de temperatura, vibraciones, ruido, etc., y también se pueden utilizar para diseñar diseños de tuberías curvas.
Los acoples ranurados flexibles son adecuados para conectar sistemas de tuberías de media presión, como tuberías de proceso, tuberías de minería y campos petrolíferos, etc.




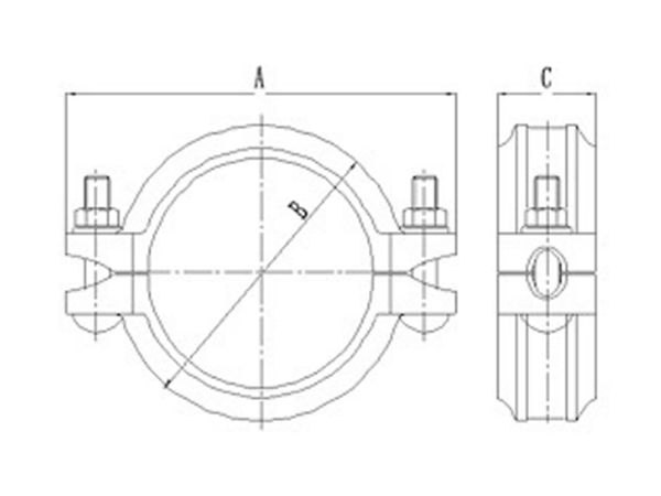
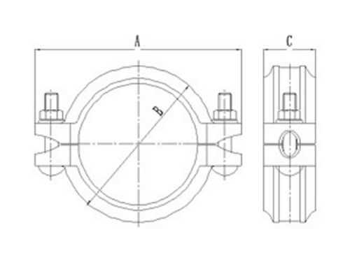
| Tamaño nominal | Diámetro exterior de la tubería | Dimensiones | Tamaño del perno | ||
| mm/pulgadas | mm/pulgadas | mm/pulgadas | No.-tamaño mm | ||
| A mm | B mm | C mm | |||
| 25/1 | 33.7/1.327 | 58/2.28 | 98/3.85 | 45/1.77 | 3/8*45-2 |
| 32/(1 1/4) | 42.4/1.669 | 68/2.68 | 106/4.17 | 45/1.77 | 3/8*45-2 |
| 40/(1 1/2) | 48.3/1.9 | 74/2.91 | 114/4.49 | 45/1.77 | 3/8*45-2 |
| 50/2 | 60.3/2.375 | 86/3.39 | 126/4.96 | 45/1.77 | 3/8*55-2 |
| 65/(2 1/2) | 73/2.875 | 98/3.86 | 137/5.39 | 45/1.77 | 3/8*55-2 |
| 65/(2 1/2) | 76.1/3 | 98/3.86 | 140/5.51 | 45/1.77 | 3/8*55-2 |
| 80/3 | 88.9/3.5 | 111/4.37 | 158/6.22 | 45/1.77 | 3/8*55-2 |
| 100/4 | 108/4.25 | 130/5.11 | 180/7.09 | 49/1.93 | 1/2*65-2 |
| 100/4 | 114.3/4.5 | 141/5.55 | 186/7.32 | 49/1.93 | 1/2*65-2 |
| 125/5 | 133/5.25 | 164/6.46 | 216/8.5 | 50/1.96 | 1/2*75-2 |
| 125/5 | 139.7/5.5 | 168/6.61 | 222/8.74 | 50/1.96 | 1/2*75-2 |
| 125/5 | 141.3/5.563 | 172/6.77 | 222/8.74 | 50/1.96 | 1/2*75-2 |
| 150/6 | 159/6.25 | 190/7.48 | 236/9.29 | 50/1.96 | 1/2*75-2 |
| 150/6 | 165.1/6.5 | 196/7.71 | 244/9.61 | 50/1.96 | 1/2*75-2 |
| 150/6 | 168.3/6.625 | 197/7.76 | 244/9.61 | 50/1.96 | 1/2*75-2 |
| 200/8 | 219.1/8.625 | 251/9.88 | 318/12.52 | 58/2.28 | 5/8*95-2 |
| 250/10 | 273/10.75 | 318/12.51 | 386/15.20 | 60/2.36 | 3/4*110-2 |
| 300/12 | 323.9/12.75 | 372/14.64 | 454/17.87 | 64/2.51 | 3/4*120-2 |