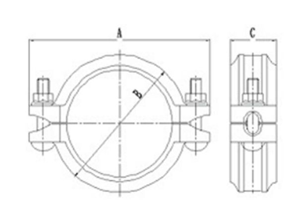
El acople ranurado rígido es un accesorio de tubería que se utiliza para conectar dos tuberías o equipos en diversas aplicaciones. Ofrece una instalación fácil y rápida sin necesidad de herramientas o habilidades especiales.
El acople ranurado rígido se usa ampliamente en varios sistemas de tuberías hechos de diferentes materiales, como suministro de agua, drenaje, HVAC y otros sistemas que requieren conexiones de tuberías.




| Tamaño nominal | Diámetro exterior de la tubería | Dimensiones | Tamaño del perno | ||
| mm/pulgadas | mm/pulgadas | mm/pulgadas | No.-Tamaño mm | ||
| A mm/pulgdas | B mm/pulgadas | C mm/pulgadas | |||
| 25/1 | 33.7/1.327 | 58/2.28 | 98/3.85 | 45/1.77 | 3/8*45-2 |
| 32/(1 1/4) | 42.4/1.669 | 68/2.68 | 106/4.17 | 45/1.77 | 3/8*45-2 |
| 40/(1 1/2) | 48.3/1.9 | 74/2.91 | 114/4.49 | 45/1.77 | 3/8*45-2 |
| 50/2 | 60.3/2.375 | 86/3.39 | 128/5.04 | 45/1.77 | 3/8*55-2 |
| 65/(1 1/2) | 73/2.875 | 98/3.86 | 137/5.39 | 45/1.77 | 3/8*55-2 |
| 65/(1 1/2) | 76.1/3 | 98/3.86 | 141/5.55 | 45/1.77 | 3/8*55-2 |
| 80/3 | 88.9/3.5 | 112/4.41 | 155/6.10 | 45/1.77 | 3/8*55-2 |
| 100/4 | 108/4.25 | 140/5.51 | 189/7.44 | 50/1.96 | 1/2*65-2 |
| 100/4 | 114.3/4.5 | 140/5.51 | 192/7.56 | 50/1.96 | 1/2*65-2 |
| 125/5 | 133/5.25 | 164/6.46 | 216/8.5 | 50/1.96 | 1/2*75-2 |
| 125/5 | 139.7/5.5 | 166/6.54 | 217/8.54 | 50/1.96 | 1/2*75-2 |
| 125/5 | 141.3/5.563 | 173/6.81 | 225/8.86 | 50/1.96 | 1/2*75-2 |
| 150/6 | 159/6.25 | 193/7.59 | 246/9.69 | 50/1.96 | 1/2*75-2 |
| 150/6 | 165.1/6.5 | 199/7.83 | 252/9.92 | 50/1.96 | 1/2*75-2 |
| 150/6 | 168.3/6.625 | 197/7.76 | 244/9.61 | 48/1.89 | 1/2*75-2 |
| 200/8 | 219.1/8.625 | 255/10.04 | 322/12.67 | 58/2.28 | 5/8*95-2 |
| 250/10 | 273/10.75 | 318/12.51 | 400/15.74 | 62/2.44 | 3/4*110-2 |
| 300/12 | 323.9/12.75 | 372/14.64 | 454/17.87 | 64/2.51 | 3/4*120-2 |