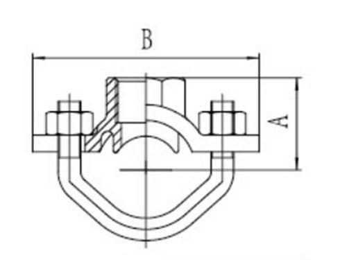
La tee mecánica tipo U, o rosca U, consta de una carcasa superior y pernos o tuercas en U, lo que permite una conexión rápida y sencilla de las tuberías de derivación a la tubería principal. En comparación con las tee de rama tradicionales, ofrece ventajas incomparables, como una instalación rápida y confiabilidad a largo plazo.
La tee mecánica tipo U es el accesorio de salida ideal para conexiones directas a cabezales de rociadores, boquillas de caída y/o medidores.




| Tamaño nominal | Diámetro exterior de la tubería | Diámetro del agujero | Dimensiones mm/m | Tamaño del perno | ||
| mm/pulgadas | mm/pulgadas | mm/pulgadas | A mm | B mm | C mm | mm |
| 25x15 / 1×1/2 | 33x21 / 1.327x0.825 | 30 / 1.18 | 35 / 1.38 | 80 / 3.15 | 56 / 2.2 | M10x33U |
| 25x20 / 1×3/4 | 33x27 / 1.327x1.050 | 30 / 1.18 | 40 / 1.57 | 80 / 3.15 | 56 / 2.2 | M10x33U |
| 32x15 / 1 1/4×1/2 | 42.4x21.3 / 1.660x0.825 | 30 / 1.18 | 43 / 1.69 | 90 / 3.54 | 56 / 2.2 | M10x42U |
| 32x20 / 1 1/4×3/4 | 42.4 x 26.9 / 1.660x1.050 | 30 / 1.18 | 43 / 1.69 | 90 / 3.54 | 56 / 2.2 | M10x42U |
| 32x25 / 1 1/4×1/2 | 42.4x33.7 / 1.660x1.315 | 30 / 1.18 | 51 / 2.01 | 90 / 3.54 | 56 / 2.2 | M10x42U |
| 40x15 / 1 1/2×1/2 | 48.3x21.3 1.900x0.825 | 30 / 1.18 | 46 / 1.81 | 90 / 3.54 | 56 / 2.2 | M10x48U |
| 40x20 / 1 1/2×3/4 | 48.3x26.9 / 1.900x1.050 | 30 / 1.18 | 46 / 1.81 | 90 / 3.54 | 56 / 2.2 | M10x48U |
| 40x25 / 1 1/2×1 | 48.3x33.7 1.900x1.315 | 30 / 1.18 | 54 / 2.13 | 90 / 3.54 | 56 / 2.2 | M10x48U |
| 50x15 / 2x1/2 | 60.3x21.3 / 2.375x0 825 | 30 / 1.18 | 52 / 2.05 | 96 / 3.78 | 56 / 2.2 | M10x60U |
| 50x20 / 2x3/4 | 60.3x26.9 / 2.375x1.050 | 30 / 1.18 | 52 / 2.05 | 96 / 3.78 | 56 / 2.2 | M10x60U |
| 50x25 / 2x1 | 60.3 x 33.7 2.375x1.315 | 30 / 1.18 | 60 / 2.36 | 96 / 3.78 | 56 / 2.2 | M10x60U |
| 65x15 / 2 1/2×1/2 | 73x21 / 2.874x0.825 | 30 / 1.18 | 60 / 2.36 | 112 / 4.41 | 56 / 2.2 | M10x73/76U |
| 65x20 / 2 1/2×3/4 | 73x27 / 2.874x1.050 | 30 / 1.18 | 60 / 2.36 | 112 / 4.41 | 56 / 2.2 | M10x73/76U |
| 65x25 / 2 1/2×1/2 | 73x33 / 2.874x1.315 | 30 / 1.18 | 68 / 2.68 | 112 / 4.41 | 56 / 2.2 | M10x73/76U |
| 65x15 / 2 1/2×1/2 | 76.1x21.3 / 3.000x0.825 | 30 / 1.18 | 60 / 2.36 | 112 / 4.41 | 56 / 2.2 | M10x73/76U |
| 65x20 / 2 1/2×3/4 | 76.1 x26.9 3.000x1.050 | 30 / 1.18 | 60 / 2.36 | 112 / 4.41 | 56 / 2.2 | M10x73/76U |
| 65x25 / 2 1/2×1/2 | 76.1 x33.7 / 3.000x1.315 | 30 / 1.18 | 68 / 2.68 | 112 / 4.41 | 56 / 2.2 | M10x73/76U |
| 80×15 / 3×1/2 | 88.9×21.3 / 3.500×0.825 | 38 / 1.50 | 70 / 2.76 | 144 / 5.67 | 74 / 2.91 | M12x89U |
| 80×20 / 3×3/4 | 88.9×26.7 / 3.500×1.050 | 38 / 1.50 | 70 / 2.76 | 144 / 5.67 | 74 / 2.91 | M12x89U |
| 80×25 / 3×1 | 88.9×33.7 / 3.500×1.315 | 38 / 1.50 | 75 / 2.95 | 144 / 5.67 | 74 / 2.91 | M12x89U |