La tee mecánica roscada consta de carcasas superior e inferior, una junta y pernos / tuercas, lo que proporciona un método simple y rápido para la conexión de derivaciones. La estructura autosellante de la junta garantiza un sellado permanente. Durante las operaciones de campo, las tees mecánicas roscadas se pueden instalar firmemente en la tubería para garantizar la precisión de la conexión de salida de la derivación.
La tee mecánica roscada es adecuada para sistemas de tuberías, como tuberías de protección contra incendios y sistemas de tuberías de rociadores.




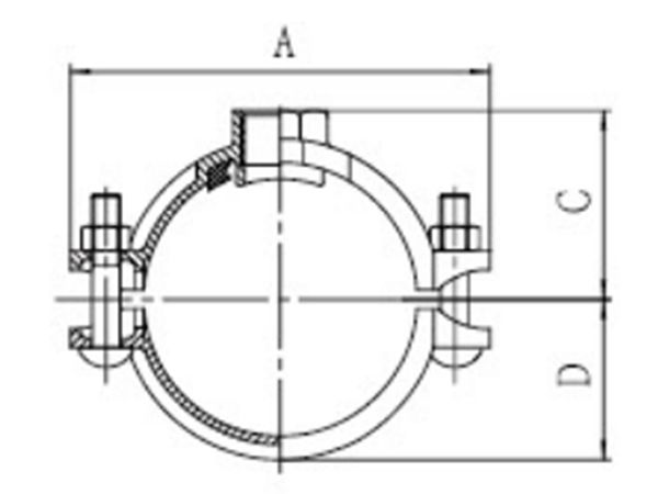
| Tamaño nominal | Diámetro exterio de la tubería | Diámetro del agujero | Dimensiones | Tamaño del perno | |||
| mm/pulgadas | mm/pulgadas | Medición de corte de agujero | mm/pulgadas | No.-tamaño/ mm | |||
| A / mm | B / mm | C / mm | D / mm | ||||
| 50×15 / 2×1/4 | 60x21 / 2.375×0.827 | 38 / 1.5 | 118 / 4.64 | 74 / 2.91 | 55 / 2.17 | 40 / 1.57 | M10×55-2 |
| 50×20 / 2×3/4 | 60x27 / 2.375×1.063 | 38 / 1.5 | 118 / 4.64 | 74 / 2.91 | 60 / 2.36 | 40 / 1.57 | M10×55-2 |
| 50×25 / 2×1 | 60.3×33.7 / 2.375×1.315 | 38 / 1.5 | 118 / 4.64 | 74 / 2.91 | 60 / 2.36 | 40 / 1.57 | M10×55-2 |
| 50×32 / 2×1 1/4 | 60.3×42.4 / 2.375×1.660 | 45 1.77 | 118 / 4.64 | 74 / 2.91 | 60 / 2.36 | 40 / 1.57 | M10×55-2 |
| 50×40 / 2×1 1/2 | 60.3×48.3 / 2.375×1.900 | 45 / 1.77 | 118 / 4.64 | 74 / 2.91 | 60 / 2.36 | 40 / 1.57 | M10×55-2 |
| 65×15 / 2 1/2×1/4 | 73x21 / 2.875×0.827 | 38 / 1.5 | 132 / 5.2 | 74 / 2.91 | 62 / 2.52 | 47 / 1.85 | M12×70-2 |
| 65×20 / 2 1/2×3/4 | 73x27 / 2.875×1.063 | 38 / 1.5 | 132 / 5.2 | 74 / 2.91 | 62 / 2.52 | 47 / 1.85 | M12×70-2 |
| 65×25 / 2 1/2×1 | 73×33.7 / 2.875×1.315 | 38 / 1.5 | 132 / 5.2 | 74 / 2.91 | 64 / 2.52 | 47 / 1.85 | M12×70-2 |
| 65×32 / 2 1/2×1 1/4 | 73×42.4 / 2.875×1.660 | 51 / 2.01 | 132 / 5.2 | 82 / 3.23 | 64 / 2.52 | 47 / 1.85 | M12×70-2 |
| 65×40 / 2 1/2×1 1/2 | 73×48.3 / 2.875×1.900 | 51 / 2.01 | 132 / 5.2 | 82 / 3.23 | 64 / 2.52 | 47 / 1.85 | M12×70-2 |
| 65×50 / 2 1/2×2 | 73x60 / 2.875×2.375 | 51 / 2.01 | 132 / 5.2 | 84 / 3.23 | 75 / 2.95 | 47 / 1.85 | M12×70-2 |
| 65×15 / 2 1/2×1/4 | 76x21 / 3.000×0.827 | 38 / 1.5 | 135 / 5.31 | 72 / 2.83 | 62 / 2.52 | 48 / 1.89 | M12×70-2 |
| 65×20 / 2 1/2×3/4 | 76x27 / 3.000×1.063 | 38 / 1.5 | 135 / 5.31 | 72 / 2.83 | 64 / 2.52 | 48 / 1.89 | M12×70-2 |
| 65×25 / 2 1/2×1 | 76.1×33.7 / 3.000×1.315 | 38 / 1.5 | 135 / 5.31 | 72 / 2.83 | 64 / 2.52 | 48 / 1.89 | M12×70-2 |
| 65×32 / 2 1/2×1 1/4 | 76.1×42.4 / 3.000×1.660 | 51 / 2.01 | 135 / 5.31 | 85 / 3.35 | 66 / 2.60 | 48 / 1.89 | M12×70-2 |
| 65×40 / 2 1/2×1 1/2 | 76.1×48.3 / 3.000×1.900 | 51 / 2.01 | 135 / 5.31 | 85 / 3.35 | 66 / 2.60 | 48 / 1.89 | M12×70-2 |
| 65×50 / 2 1/2×2 | 76x60 / 3.000×2.375 | 51 / 2.01 | 135 / 5.31 | 84 / 3.23 | 76 / 2.99 | 48 / 1.89 | M12×70-2 |
| 80×15 / 3×1/2 | 88.9×21.3 / 3.500×0.825 | 38 / 1.50 | 146 / 5.75 | 74 / 2.91 | 66 / 2.60 | 55 / 2.17 | M12×70-2 |
| 80×20 / 3×3/4 | 88.9×26.7 / 3.500×1.050 | 38 / 1.50 | 146 / 5.75 | 74 / 2.91 | 66 / 2.60 | 55 / 2.17 | M12×70-2 |
| 80×25 / 3×1 | 88.9×33.7 / 3.500×1.315 | 38 / 1.18 | 146 / 5.75 | 74 / 2.91 | 70 / 2.76 | 55 / 2.17 | M12×70-2 |
| 80×32 / 3×1 1/4 | 88.9×42.4 / 3.500×1.660 | 51 / 2.01 | 146 / 5.75 | 86 / 3.39 | 73 / 2.87 | 55 / 2.17 | M12×70-2 |
| 80×40 / 3×1/2 | 88.9×48.3 / 3.500×1.900 | 51 / 2.01 | 146 / 5.75 | 86 / 3.39 | 77 / 3.03 | 55 / 2.17 | M12×70-2 |
| 80x50 / 3x2 | 88 9 x 60.3 3.500 x 2.375 | 64 / 2.52 | 146 / 5.75 | 96 / 3.78 | 80 / 3.15 | 55 / 2.17 | M12x70-2 |
| 80x65 / 3x2 1/2 | 89x76 / 3.500 x 3.000 | 64 / 2.52 | 146 / 5.75 | 99 / 3.90 | 84 / 3.31 | 55 / 2.17 | M12×70-2 |
| 100x25 / 4x1 | 108x33.7 4.250x1.315 | 38 / 1.5 | 172 / 6.77 | 72 / 283 | 76 / 2.99 | 64 / 2.52 | M12x75-2 |
| 100x32 / 4x1 1/4 | 108.0x42.4 / 4.250x1.660 | 51 / 2.01 | 172 / 6.77 | 82 / 3.23 | 76 / 2.99 | 64 / 2.52 | M12x75-2 |
| 100x40 / 4x1 1/2 | 108.0x48.3 / 4.250x1.900 | 51 / 2.01 | 172 / 6.77 | 82 / 3.23 | 76 / 2.99 | 64 / 2.52 | M12x75-2 |
| 100x50 / 4x2 | 108.0x60.3 / 4.250x2.375 | 64 / 2.52 | 172 / 6.77 | 95 / 3.74 | 78 / 3.07 | 64 / 2.52 | M12x75-2 |
| 100x15 / 4x1/4 | 114x21 / 4.500x0.825 | 38 / 1.5 | 178 / 7.01 | 74 / 2.91 | 83 / 3.27 | 69 / 2.72 | M12x75-2 |
| 100x20 / 4x3/4 | 114x27 / 4.500x1.063 | 38 / 1.5 | 178 / 7.01 | 74 / 2.91 | 83 / 3.27 | 69 / 2.72 | M12x75-2 |
| 100x25 / 4x1 | 114.3x33.7 4.500x1.315 | 38 / 1.5 | 178 / 7.01 | 74 / 2.91 | 86 / 3.99 | 69 / 2.72 | M12x75-2 |
| 100x32 / 4x1 1/4 | 114.3x42.4 / 4.500x1.660 | 51 / 2.01 | 178 / 7.01 | 86 / 3.39 | 87 / 3,43 | 69 / 2.72 | M12x75-2 |
| 100x40 / 4 x1 1/2 | 114,3x48.3 4.500 X1.900 | 51 / 2.01 | 178 / 7.01 | 86 / 3.39 | 89 / 3.51 | 69 / 2.72 | M12x75-2 |
| 100x50 / 4x2 | 114.3x60.3 4.500x2.375 | 64 / 2.52 | 178 / 7.01 | 100 / 3.94 | 94 / 3.7 | 69 / 2.72 | M12x75-2 |
| 100x65 / 4x2 1/2 | 114.3x76.1 4500x3.000 | 70 / 2.76 | 178 / 7.01 | 106 / 4.17 | 100 / 3.94 | 69 / 2.72 | M12x75-2 |
| 100x80 / 4x3 | 114.3x88.9 4.500x3.500 | 89 / 3.5 | 178 / 7.01 | 124 / 4.88 | 99 / 3.9 | 69 / 2.72 | M12x75-2 |
| 125x25 / 5x1 | 133.0 x 33 7 5.250x1.315 | 38 / 1.5 | 200 / 7.87 | 74 / 2.91 | 95 / 3.74 | 77 / 3.03 | M16x85-2 |
| 125x32 / 5x1 1/4 | 133.0 x 42.4 5.250x1.660 | 51 / 2.01 | 200 / 7.87 | 86 / 3.39 | 95 / 3.74 | 77 / 3.03 | M16x85-2 |
| 125x40 / 5x1 1/2 | 133.0x48.3 5.250x1.900 | 51 / 2.01 | 200 / 7.87 | 86 / 3.39 | 95 / 3.74 | 77 / 3.03 | M16x85-2 |
| 125x50 / 5x2 | 133.0 x 60.3 5.250x2.375 | 64 / 2.52 | 200 / 7.87 | 100 / 3.94 | 104 / 4.09 | 77 / 3.03 | M16x85-2 |
| 125x25 / 5x1 | 139.7x33.7 5.503x1.315 | 38 / 1.5 | 213 / 8.39 | 74 / 2.91 | 98 / 3.86 | 81 / 3.19 | M16x85-2 |
| 125x32 / 5x1 1/4 | 139,7x42.4 5.500x1.660 | 51 / 2.01 | 213 / 8.39 | 86 / 3.39 | 99 / 3.9 | 81 / 3.19 | M16x85-2 |
| 125x40 / 5x1 1/2 | 139.7x48.3 5.500 x1.900 | 51 / 2.01 | 213 / 8.39 | 86 / 3.39 | 111 / 4.37 | 81 / 3.19 | M16x85-2 |
| 125x50 / 5x2 | 133.0 x 60.3 5.250x2.375 | 64 / 2.52 | 213 / 8.39 | 100 / 2.19 | 106 / 4.17 | 81 / 3.19 | M16x85-2 |
| 125x65 / 5x2 1/2 | 139.0 x 76.1 / 5.500x3.000 | 70 / 2.76 | 213 / 8.39 | 108 / 4.25 | 110 / 4.33 | 81 / 3.19 | M16x85-2 |
| 150x25 / 6x1 | 165.1x33.7 / 6.500x1.315 | 38 / 1.5 | 239 / 9.41 | 74 / 2.91 | 112 / 4.41 | 95 / 3.74 | M16x 105-2 |
| 150x32 / 6x1 1/4 | 165.1x42.4 / 6.500x1.660 | 51 / 2.01 | 239 / 9.41 | 86 / 3.39 | 113 / 4.45 | 95 / 3.74 | M16x 105-2 |
| 150x40 / 6x1 1/2 | 165.1x48.3 / 6.500x1.900 | 51 / 2.01 | 239 / 9.41 | 86 / 3.39 | 115 / 4.53 | 95 / 3.74 | M16x 105-2 |
| 150x50 / 6x2 | 165.1x60.3 / 6.500x2.375 | 64 / 2.52 | 239 / 9.41 | 100 / 3.94 | 120 / 4.72 | 95 / 3.74 | M16x 105-2 |
| 150x65 / 6x2 1/2 | 165.1x76.1 / 6.500x3.000 | 70 / 2.76 | 239 / 9.41 | 108 / 4.25 | 124 / 4.68 | 95 / 3.74 | M16x105-2 |
| 150x80 / 6x3 | 165.1x88.9 / 6.500x3.500 | 89 / 3.5 | 239 / 9.41 | 126 / 4.96 | 123 / 4.84 | 95 / 3.74 | M16x 105-2 |
| 150x25 / 6x1 | 168.3 x 33.7 / 6.625x1.315 | 38 / 1.5 | 255 / 10.04 | 74 / 2.91 | 115 / 4.53 | 96 / 3.78 | M16x105 2 |
| 150x32 / 6x1 1/4 | 168.3x42.4 / 6.625x1.660 | 51 / 2.01 | 255 / 10.04 | 88 / 3.64 | 115 / 4.53 | 96 / 3.78 | M16x 105-2 |
| 150x40 / 6x1 1/2 | 168.3 x 48.3 6.625x1.900 | 51 / 2.01 | 255 / 10.04 | 88 / 3.64 | 115 / 4.53 | 96 / 3.78 | M16x 105-2 |
| 150x50 / 6x2 | 168.3x60.3 6.625x2.375 | 64 / 2.52 | 255 / 10.04 | 102 / 4.02 | 120 / 4.72 | 96 / 3.78 | M16x 105-2 |
| 150x65 / 6x2 1/2 | 168.3 x 73 6.625x3.000 | 70 / 2.76 | 255 / 10.04 | 108 / 4.25 | 122 / 4.80 | 96 / 3.78 | M16x 105-2 |
| 150x80 / 6x3 | 168.3 x 88.9 / 6.625x3.500 | 89 / 3.5 | 255 / 10.04 | 124 / 4.88 | 122 / 4.80 | 96 / 3.78 | M16x 105-2 |
| 200x25 / 8x1 | 219.1 x 33.7 / 8.625x3.315 | 38 / 1.5 | 310 / 12.21 | 73 / 2.87 | 135.5 / 5.35 | 115 / 4.53 | M20x 115-2 |
| 200x32 / 8x1 1/4 | 219.1 x42.4 / 8.625x1.660 | 51 / 2.01 | 310 / 12.21 | 82 / 3.23 | 135.5 / 5.35 | 115 / 4.53 | M20x 115-2 |
| 200x40 / 8x1 1/2 | 219.1 x48.3 / 8.625x1.900 | 51 / 2.01 | 310 / 12.21 | 86 / 3.39 | 135.5 / 5.35 | 115 / 4.53 | M20x 115-2 |
| 200x50 / 8x2 | 219.1 x 33.7 / 8.625x2.375 | 38 / 1.5 | 310 / 12.21 | 97 / 3.82 | 138 / 5.43 | 115 / 4.53 | M20x 115-2 |
| 200x65 / 8x2 1/2 | 219.1 x76.1 / 8.625x3.000 | 70 / 2.76 | 310 / 12.21 | 115 / 4.53 | 138 / 5.43 | 115 / 4.53 | M20x 115-2 |