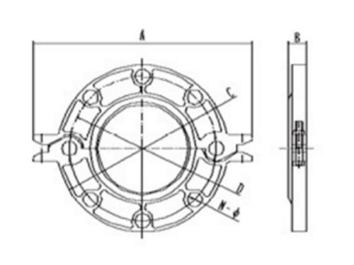
Una brida partida ranurada permite una transición directa entre el componente bridado y una tubería ranurada. Durante la instalación, la llave de la brida partida se adapta continuamente al diámetro de la ranura, lo que garantiza un ajuste firme contra la parte inferior de la ranura, lo que da como resultado una conexión robusta.
Las bridas partidas ranuradas se utilizan principalmente en maquinaria hidráulica y, a menudo, se combinan con tuberías de conexión para facilitar un flujo de fluido eficiente y conexiones confiables.




| Tamaño nominal | Diámetro exterior de la tubería | Dimensiones | Perno / Tuerca | ||||
| mm/pulgadas | mm/pulgadas | A mm/pulgadas | B mm/pulgadas | C mm/pulgadas | D mm/pulgadas | E mm/pulgadas | No.-tamaño mm |
| 40 / 1 1/2 | 48.3 / 1.9 | 195 / 7.68 | 18.5 / 0.73 | 150 / 5.9 | 110 / 4.33 | 45.4 / 1.78 | 4-Φ16 |
| 50 / 2 | 60.3 / 2.375 | 220 / 8.66 | 18.5 / 0.73 | 165 / 6.5 | 125 / 4.92 | 57.5 / 2.26 | 4-Φ16 |
| 65 / 2 1/2 | 76.1 / 3 | 235 / 9.25 | 18.5 / 0.73 | 185 / 7.28 | 145 / 5.71 | 72.7 / 2.86 | 4-Φ16 |
| 80 / 3 | 88.9 / 3.5 | 255 / 10.04 | 18.5 / 0.73 | 195 / 7.68 | 160 / 6.3 | 85.5 / 3.37 | 8-Φ16 |
| 100 / 4 | 108 / 4.25 | 279 / 10.98 | 18.5 / 0.73 | 220 / 8.66 | 180 / 7.09 | 104.5 / 4.11 | 8-Φ16 |
| 100 / 4 | 114.3 / 4.5 | 279 10.98 | 18.5 0.73 | 224 8.82 | 180 7.09 | 110.5 4.35 | 8-Φ16 |
| 125 5 | 133 5.25 | 312 12.28 | 21.5 0.85 | 250 9.84 | 210 8.27 | 129.2 5.08 | 8-Φ 16 |
| 125 5 | 139.7 5.5 | 320 12.6 | 23 0.91 | 250 9.84 | 210 8.27 | 135.5 5.33 | 8-Φ 16 |
| 150 6 | 159 6.25 | 346 13.62 | 21.5 0.85 | 280 11 | 240 9.45 | 154.8 6.1 | 8-Φ20 |
| 150 6 | 165.1 | 346 13.62 | 21.5 0.85 | 280 11 | 240 9.45 | 160.8 6.33 | 8-Φ20 |
| 6.5 | |||||||
| 150 6 | 168.3 6.625 | 346 13.62 | 24 0.94 | 280 11 | 240 9.45 | 164.3 6.47 | 8-Φ20 |
| 200 8 | 219.1 8.625 | 414.3 16.31 | 30 1.18 | 340 13.39 | 295 11.61 | 214.9 8.46 | 12-Φ20 |
| 250 10 | 273 10.75 | 480 18.9 | 25.5 1.00 | 405 15.94 | 355 13.98 | 268.9 10.59 | 12-Φ24 |
| 300 12 | 323.9 12.75 | 530.5 20.88 | 25.5 1 | 460 18.11 | 410 16.14 | 318.9 12.56 | 12-Φ24 |